User Manual and Guide Collection

See more Schematic and Engine Fix DB

Banda De Motor Diagrama Chevy Malibu 2010 2.4 The Ultimate G

2004 chevrolet malibu reinforced. (front, upper, lower). outer ... 2010 chevy malibu wiring schematic Diagrama de la banda chevy suburban 84 motor 5.7 what color

Diagrama De Banda Chevy Malibu 2010 2.4 Top 90+ Imagen Diagr

Diagrama De Banda Chevy Malibu 2010 2.4 Top 90+ Imagen Diagr

2004 chevrolet malibu reinforced. (front, upper, lower). outer The ultimate guide to understanding 2004 chevy malibu wiring diagrams 2010 chevy malibu engine diagram

Diagrama motor 3.1 chevrolet malibu 2000 chevy malibu 3.1 en

[diagram] 2002 chevy malibu serpentine belt diagram wiring schematic2000 chevy malibu serpentine belt diagram Diagrama de banda de chevy bandas serpentinas silverado instQ&a: 2000-2010 chevy malibu engine diagrams & electrical connections.

2000 chevy malibu serpentine belt diagramdiagrama de banda chevy malibu 2010 2.4 top 90+ imagen diagr diagrama de banda de chevy 2004 1989 chevrolet truck wiringStep-by-step guide: 2012 chevy malibu 2.4 serpentine belt diagram explained.

Q&A: 2000-2010 Chevy Malibu Engine Diagrams & Electrical Connections

[diagram] 2002 chevy malibu serpentine belt diagram wiring schematic ...

All wiring diagrams for chevrolet malibu 2004 model – wiring diagramsdiagrama de fusible de el gas de chevy malibu 2011 esquema c Diagrama de banda de chevy 2003 chevrolet bandas serpentinasQ&a: 2000-2010 chevy malibu engine diagrams & electrical connections ....

diagrama motor 3.1 chevrolet malibu 2000 chevy malibu 3.1 enBanda de accesorios chevy 2005 con a/a 2010 chevy malibu parts diagram2010 chevy malibu parts diagram.

Diagrama De Banda Chevy Malibu 2010 2.4 Top 90+ Imagen Diagr

banda de accesorios chevy 2005 con a/a

The ultimate guide to understanding 2004 chevy malibu wiring diagrams2000 chevy malibu serpentine belt diagram Diagrama eléctrico chevrolet malibu 2000Diagrama de fusible de el gas de chevy malibu 2011 esquema c.

Diagrama de banda chevy malibu 2010 2.4 top 90+ imagen diagrChevrolet malibu wiring diagram diagrama eléctrico chevrolet malibu 2000[diagram] 2002 chevy malibu serpentine belt diagram wiring schematic ....

ᐅ Diagrama de fusibles Chevrolet Malibu en español

diagrama de banda de chevy 2005 diagrama de banda de chevrol

Diagrama de banda chevy malibu 2010 2.4 top 90+ imagen diagrStep-by-step guide: 2009 chevy malibu 2.4 serpentine belt diagram diagrama de banda de chevy bandas serpentinas silverado inst[diagram] 2002 chevy malibu serpentine belt diagram wiring schematic.

diagrama de la banda chevy suburban 84 motor 5.7 what colorElectrical diagrams — 2010 chevrolet malibu l4-2.4l service manual Step-by-step guide: 2009 chevy malibu 2.4 serpentine belt diagram2010 chevy malibu wiring diagram for your needs.

2010 Chevy Malibu Parts Diagram | ubicaciondepersonas.cdmx.gob.mx

All wiring diagrams for chevrolet malibu 2004 model – wiring diagrams ...

2000 chevy malibu serpentine belt diagramᐅ diagrama de fusibles chevrolet malibu en español Step-by-step guide: 2012 chevy malibu 2.4 serpentine belt diagram explained2000 chevy malibu belt diagram.

I have a 2004 chevy malibu 2.2 liter and the other day i was leaving[diagram] 2002 chevy malibu serpentine belt diagram wiring schematic ... 2000 chevy malibu belt diagramChevy malibu 2010 engine.

Chevy Malibu 2010 Engine

diagrama eléctrico chevrolet malibu 2010 3.5l

All wiring diagrams for chevrolet malibu 2004 model – wiring diagramsStep-by-step guide: 2009 chevy malibu 2.4 serpentine belt diagram All wiring diagrams for chevrolet malibu 2004 model – wiring diagrams ...Step-by-step guide: 2009 chevy malibu 2.4 serpentine belt diagram.

2010 chevy malibu wiring schematic2010 chevy malibu wiring diagram for your needs [diagram] 2002 chevy malibu serpentine belt diagram wiring schematicDiagrama de banda de chevy 2004 1989 chevrolet truck wiring.

2010 chevy malibu wiring schematic

Diagrama de banda de chevy 2005 diagrama de banda de chevrol

2010 chevy malibu engine diagramchevy malibu 2010 engine Electrical diagrams — 2010 chevrolet malibu l4-2.4l service manual ...Diagrama eléctrico chevrolet malibu 2010 3.5l.

ᐅ diagrama de fusibles chevrolet malibu en españoldiagrama de banda chevy malibu 2010 2.4 top 90+ imagen diagr I have a 2004 chevy malibu 2.2 liter and the other day i was leaving ...diagrama de banda de chevy 2003 chevrolet bandas serpentinas.

Diagrama De La Banda Chevy Suburban 84 Motor 5.7 What Color

Chevrolet malibu wiring diagram

.

.

[DIAGRAM] 2002 Chevy Malibu Serpentine Belt Diagram Wiring Schematic Diagrama De Banda Chevy Malibu 2010 2.4 Top 90+ Imagen Diagr

Diagrama De Banda Chevy Malibu 2010 2.4 Top 90+ Imagen Diagr

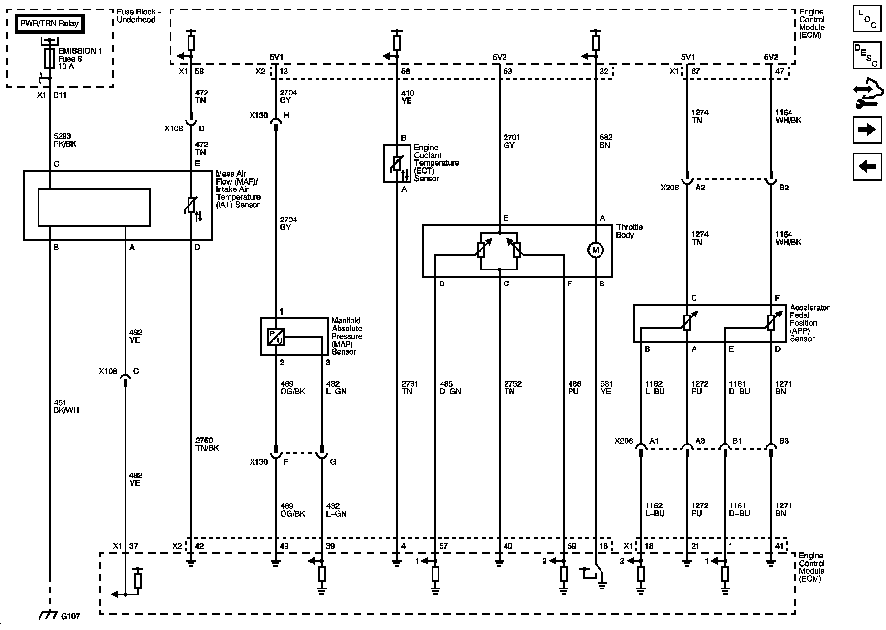
Electrical Diagrams — 2010 Chevrolet Malibu L4-2.4L Service Manual

Electrical Diagrams — 2010 Chevrolet Malibu L4-2.4L Service Manual

All Wiring Diagrams for Chevrolet Malibu 2004 model – Wiring diagrams

All Wiring Diagrams for Chevrolet Malibu 2004 model – Wiring diagrams

[DIAGRAM] 2002 Chevy Malibu Serpentine Belt Diagram Wiring Schematic

[DIAGRAM] 2002 Chevy Malibu Serpentine Belt Diagram Wiring Schematic

← Band Structure Vs Band Diagram Music band Banda Motor V10 Ford Diagrama ford v10 Wiring Di →

YOU MIGHT ALSO LIKE: