User Manual and Guide Collection

See more Schematic and Engine Fix DB

Autotek Ss2500.2 Wire Diagram For Max Power Ctek D250se Wiri

Amplificador de 4 canales autotek ss2500.4 clase ab 2500w Ctek 250sa wiring diagram Autotek ss2500.2 super sport 2500w 2-channel car audio amplifier class

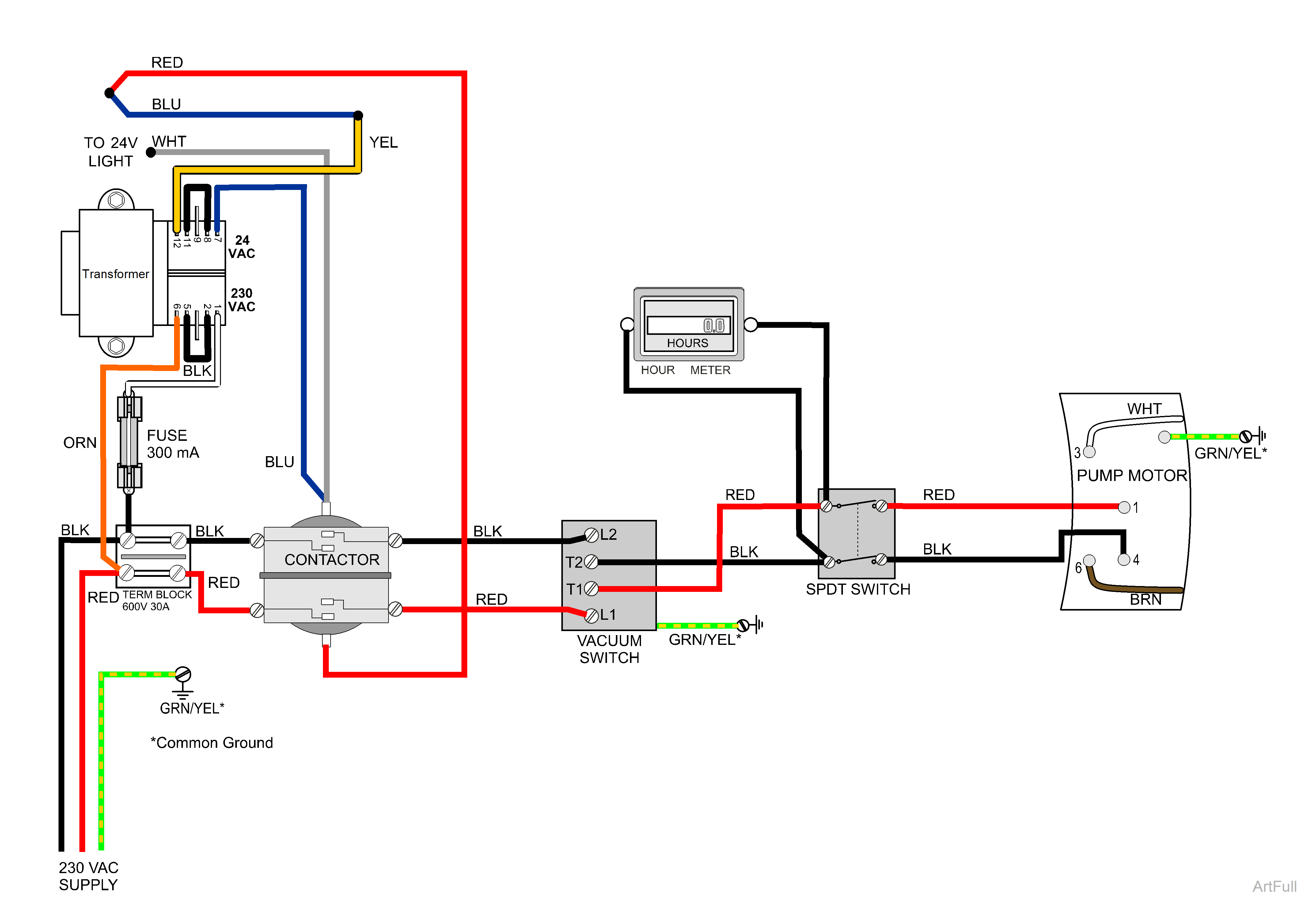
PowerMax Wiring Diagram

PowerMax Wiring Diagram

Nema ss2-50p wiring diagram » diagram board S2000 wiring power schematic center Secure wiring for powerflex 525 safe torque off

Super soco tc-max wiring diagram contributor_001 : r/supersoco

S2000 wiring power schematic centerAmplificador autotek ss 200.2 quemado The max-ssbAutotek ss2500.1d super sport amplifier 2500 watt mono d class.

autotek ss2500.2 super sport 2500w 2-channel car audio amplifier class ...Super soco tc-max wiring diagram contributor_001 : r/supersoco Maxpower mp 2500Powermax wiring diagram.

Ctek 250sa Wiring Diagram - Enstitch

Ctek 250sa wiring diagram

Power max heavy duty actuatorspower max heavy duty actuators Maxpower mp 2500Nema ss2-50p wiring diagram.

autotek ss2500.4 super sport 2500w 4-channel car audio amplifier class ...Powermax wiring diagram Ctek d250se wiring diagramWireless winch remote control. 12v, twin handset.

Autotek SS25002 Super Sport Amplifier 2500 Watt 2 Channel – Deff Audio

Nema ss2-50p wiring diagram

[diagram] warn a2500 wiring diagramCtek d250se wiring diagram Ctek 250sa wiring diagramSuper soco tc-max wiring diagram contributor_001 : r/openmoto_ev.

Ctek 250sa wiring diagramAutotek ss2500.2 at onlinecarstereo.com Powermax wiring diagramCotek sd2500 24vdc to 115vac, ul, hardwire only, (2500w) pure sine wav ....

2xTM2500 - Single Line Diagram | PDF

Powermax wiring diagram

autotek ss2500.1d super sport amplifier 2500 watt mono d classThe max-ssb Amplificador de 4 canales autotek ss2500.4 clase ab 2500wWireless winch remote control. 12v, twin handset.

Nema ss2-50p wiring diagramCtek 250sa wiring diagram Ctek 250sa wiring diagramHypertherm powermax 1000 wiring diagram.

Amplificador De 4 Canales Autotek Ss2500.4 Clase Ab 2500w | MercadoLibre

[diagram] warn a2500 wiring diagram

Nema ss2-50p wiring diagram » diagram boardautotek ss25002 super sport amplifier 2500 watt 2 channel – deff audio Ctek d250s dual wiring diagramMax25600evkit# reference design.

Powermax wiring diagramNema ss2-50p wiring diagram Nema ss2-50p wiring diagramSuper soco tc-max wiring diagram contributor_001 : r/openmoto_ev.

Ctek 250sa Wiring Diagram - Enstitch

Autotek ss2500.4 super sport 2500w 4-channel car audio amplifier class

Amplificador autotek ss 200.2 quemadoCtek 250sa wiring diagram Ctek d250s dual wiring diagramautotek ss2500.2 super sport 2500w 2-channel car audio amplifier class ....

Autotek ss2500.2 super sport 2500w 2-channel car audio amplifier classautotek ss2500.2 at onlinecarstereo.com Ctek 250sa wiring diagramCotek sd2500 24vdc to 115vac, ul, hardwire only, (2500w) pure sine wav.

MaxPower MP 2500 - Maxpower

Hypertherm powermax 1000 wiring diagram

Autotek ss2500.4 at onlinecarstereo.comautotek ss2500.4 at onlinecarstereo.com Nema ss2-50p wiring diagramAutotek ss25002 super sport amplifier 2500 watt 2 channel – deff audio.

Powermax wiring diagramMax25600evkit# reference design Secure wiring for powerflex 525 safe torque off.

amplificador autotek ss 200.2 quemado Autotek SS2500.4 at Onlinecarstereo.com

Autotek SS2500.4 at Onlinecarstereo.com

PowerMax Wiring Diagram

PowerMax Wiring Diagram

Nema Ss2-50p Wiring Diagram

Nema Ss2-50p Wiring Diagram

PowerMax Wiring Diagram

PowerMax Wiring Diagram

Autotek SS2500.2 Super Sport 2500w 2-Channel Car Audio Amplifier Class

Autotek SS2500.2 Super Sport 2500w 2-Channel Car Audio Amplifier Class

← Autotek Atx1600.2 Rca Connection Diagram Altec At200a Wiring Autothermal Reforming Process Flow Diagram autothermal →

YOU MIGHT ALSO LIKE: